DLI UK

   
 
 
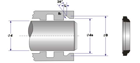
型号: MWS    产品图片
特点: 活塞杆防尘圈,适用于重型液压缸,采用优质90度NBR材料。

打印此页】   【返回目录】   【关闭此页